股票配资网站导航-股票杠杆是啥-【东方资本】,配资平台贴吧,炒股看财经新闻的app哪个好,目前最好股票是什么

菜單導航
當前位置:首頁   ?  新聞動態 >>  行業新聞
新聞動態
18614012353 18501995144
jingy@jingqutech.com
www.zqiyedengjidaili.com
北京市豐臺區新華國際中心D座B1-107
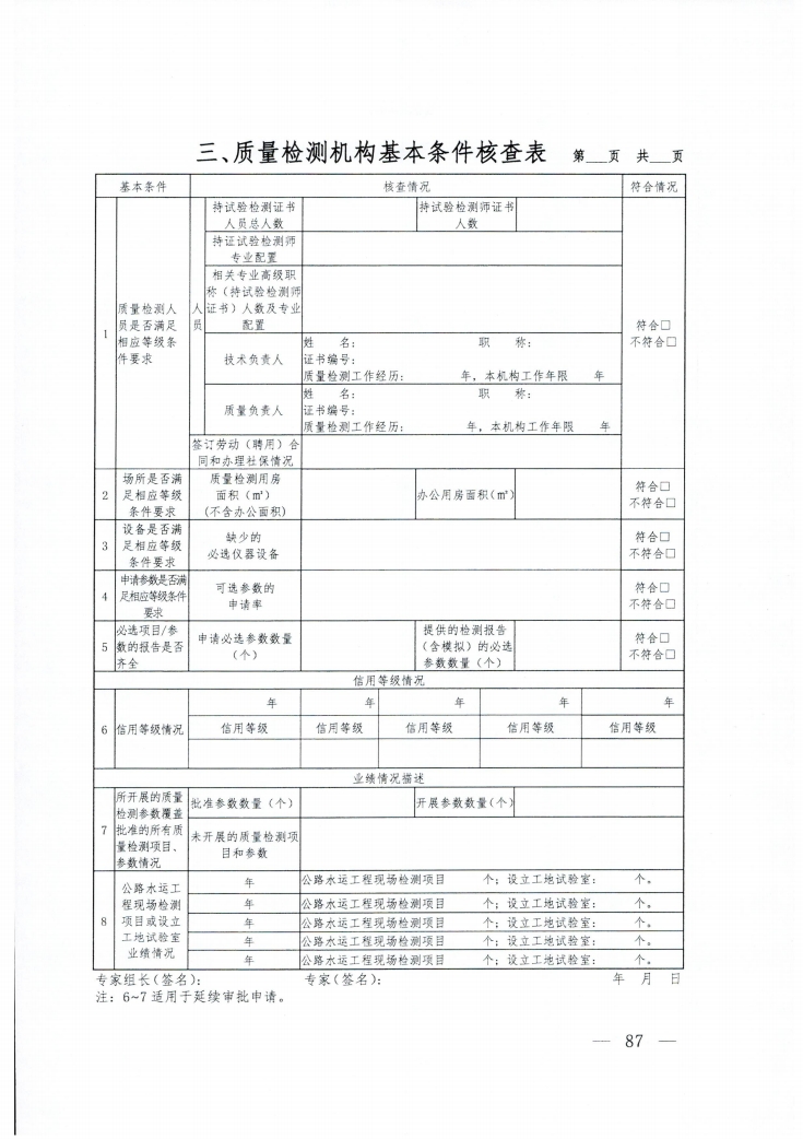
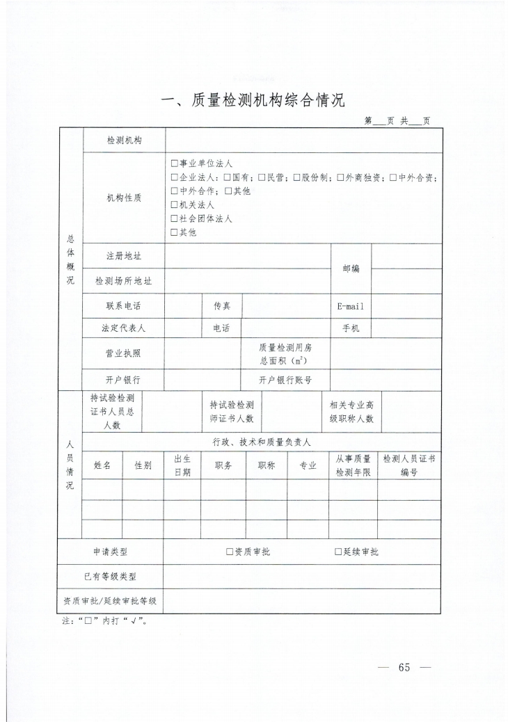
交通運輸部關于公布《公路水運工程質量檢測機構資質等級條件》及公路水運工程質量檢測機構資質審批專家技術評審工作程序》的通知
 時間:2023-11-03 | 瀏覽:

1.png

2.png


3.png

11.png


12.png

13.png14.png

15.png


16.png

17.png

18.png

19.png


20.png

21.png


22.png

23.png

24.png


25.png

26.png


27.png28.png29.png30.png



65.png

75.png

83.png

103.png


\
























關注官方微信

全國服務熱線:

18614012353  

公司地址: 北京市豐臺區花鄉高立莊616號新華國際中心D座B107室
服務電話:18614012353 
   
公司郵箱:zhaoyan@jingqutech.com
copyright© 2018 北京京衢科技有限責任公司. All Rights Reserved 京ICP備18037854號

我要
留言

咨詢
熱線

18614012353 18501995144
服務熱線

在線
QQ

在線QQ咨詢 點擊這里給我發消息

關注
微信

關注官方微信
頂部
?